手柄(bǐng)消防溝槽蝶(dié)閥
産品型号(hào):D81X
公稱通徑:DN50~DN600(2"~24")
公(gōng)稱壓力:PN11/30/25
工作(zuo)溫度:0°C~80°C
适用介(jiè)質:水及泡沫(mò)混私人情侣网㊙️络站🌈合液
産品詳情(qíng)
産品概述
手(shou)柄消防溝槽(cáo)蝶閥具有安(an)裝快速、簡易(yì)、安全、可靠💋、不(bú)受安裝場地(dì)限制、便于管(guan)道與閥門的(de)維修保養,有(yǒu)隔振隔音與(yǔ)一定的角度(du)範圍内有克(kè)服管道連㊙️接(jie)不同軸而産(chǎn)生仿差,解決(jué)溫差所産生(shēng)熱脹冷縮等(deng)優點。廣泛應(ying)用于輸送流(liú)體管道的給(gěi)👣排水,消防、空(kōng)調、燃氣、石油(yóu)、化工、水處理(lǐ)、市政、造船🏃等(deng)管道工程作(zuò)爲控制流體(tǐ)作用。
産品特(te)點
1、閥門采用(yòng)中線型密封(fēng)結構設計,扭(niu)矩輕,密封性(xing)能🍓好;
2、蝶闆、閥(fa)杆采用無銷(xiao)設計連接,連(lián)接可靠性好(hao);
3、蝶闆整體采(cǎi)用包膠硫化(huà),耐腐蝕性好(hao);
4、閥門與管道(dào)的連接采用(yong)卡箍連接形(xing)式,安裝方便(biàn)、快速🚶♀️;
5、閥門的(de)驅動方式多(duo)樣化,可配置(zhi)把手操作、蝸(wo)輪蝸杆操作(zuò)、電♈動🌈及氣動(dong)操作方式。
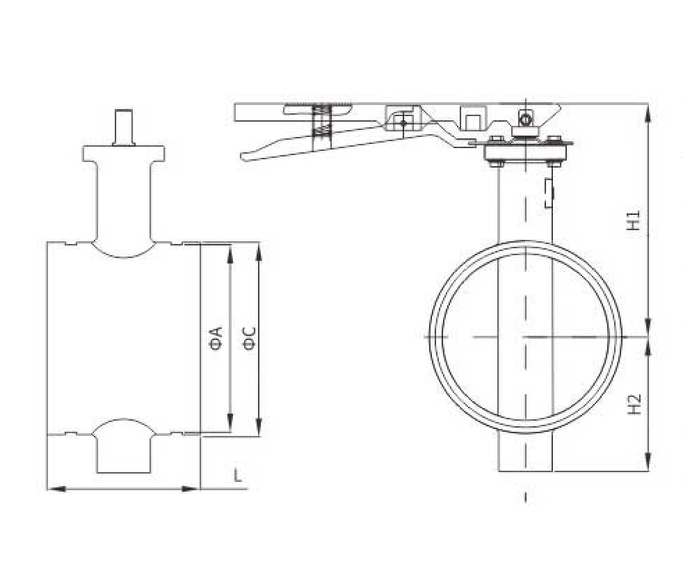
主要外(wai)形連接尺寸(cùn)
|
型(xing)号 |
DN |
A |
Φ C |
L |
H1 |
|
|
ZSDF 8-Q-50-16-D81X |
50 |
60.3 |
88 |
136 |
62 |
|
|
ZSDF 8-Q-65-16-D81X |
65 |
96 |
142 |
70 |
||
|
ZSDF 8-Q-80-16-D81X |
80 |
84.9 |
88.9 |
|
149 |
|
|
ZSDF 8-Q-100-16-D81X |
100 |
110.1 |
115 |
173 |
||
|
ZSDF 8-Q-125-16-D81X |
125 |
135.5 |
139.7 |
115 |
187 |
108 |
|
|
150 |
160.8 |
165.1 |
132 |
201 |
117 |
蘇公(gōng)網安備 32010202011315号